Время работы:
пн-пт: 9.00 до 18.00
Рославль
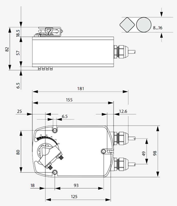
Электроприводное устройство данной модели, управляющее заслонками воздуха охранного типа (защищающими от замораживания), оснащается возвратной пружиной. У изделия есть хомут крепежа V-образной формы и фиксатор, не позволяющий прибору вращаться. Монтируется электропривод на вал заслонки. Последняя перемещается в рабочее положение, оставаясь в нем вследствие натяжения пружины. Пока устройство не отключается планово или аварийно, ток потребляется минимально.
Доставка по Москве в пределах МКАД: мелкогабаритный груз от 1 000 руб., крупногабаритный груз от 2 500 руб.,
Полный цикл работ: подберем, спроектируем и установим оборудование
Нашли дешевле? Звоните, договоримся!
Заявки принимаются с реквизитами через почту
